б¦gg´´ÔìÆæ¼£

b2banber01.jpg b2banber01ph.jpg

ï®µç³Ø¸ôĤ

б¦GG¡ª´´ÔìÆæ¼£Æ½Ì¨ b2img01.png
  • 1
  • 2
  • 3
  • б¦GG¡ª´´ÔìÆæ¼£Æ½Ì¨ b2img02.png
    б¦GG¡ª´´ÔìÆæ¼£Æ½Ì¨ b2icon01.svg
    ï®µç³Ø¸ôĤ
  • б¦GG¡ª´´ÔìÆæ¼£Æ½Ì¨ b2icon02.svg
    ¸º¼«
  • б¦GG¡ª´´ÔìÆæ¼£Æ½Ì¨ b2icon03.svg
    Õý¼«

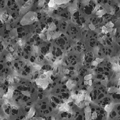
ï®µç³Ø¸ôĤÊÇÒ»ÖÖ¾ßÓÐÄÉÃ×¼¶Î¢¿×µÄ¸ß·Ö×Ó¹¦Ð§ÖÊÁÏ¡£

¸ôĤµÄÐÔÄܾöÒéÁËï®µç³ØµÄ½çÃæ½á¹¹¡¢ÄÚ×èµÈ£¬Ö±½ÓÓ°Ïìµç³ØµÄÈÝÁ¿¡¢Ñ­»·ÒÔ¼°Çå¾²ÐÔÄܵÈÌØÕ÷¡£

б¦GG¡ª´´ÔìÆæ¼£Æ½Ì¨

Ó¦ÓÃ

  • ¶¯Á¦µç³Ø

    б¦gg´´ÔìÆæ¼£¹É·ÝÕë¶Ô¶¯Á¦µç³Ø¿Í»§µÄ¸ßÇå¾²ÐÔ¡¢¸ßÄÜÁ¿Ãܶȡ¢¿ì³äµÈÐèÇó£¬Ìṩ¶¨ÖÆ»¯¸ßÇ¿¶È¸ôĤ¡¢³¬±¡¸ôĤ¡¢µÍÍ¸ÆøÐÔ¸ôĤ£»ÒÔ¸ßÐÔÄÜ»ùĤΪ»ù´¡£¬´îÅäÌØ¶¨¹¦Ð§µÄÍ¿²ã£¬Öª×ã¿Í»§²î±ðµÄ¶¯Á¦µç³ØÐèÇó¡£

  • ÏûºÄµç×Óµç³Ø

    б¦gg´´ÔìÆæ¼£¹É·Ý¾ßÓÐÒµÄÚÁìÏȵij¬±¡¸ôĤ¼°ÏȽøÍ¿²¼ÊÖÒÕ£¬Îª¿Í»§Ìṩ¶àÖÖ½â¾ö¼Æ»®£¬Ö÷ÒªÓ¦ÓÃÓڹŰåÏûºÄÀàµç×Ó²úÆ·ºÍÐÂÐËÏûºÄµç×ÓÁìÓò£¨ÎÞÈË»ú¡¢¿ÉÒÂ×Å×°±¸¡¢»úеÈ˵ȣ©¡£

  • ´¢ÄÜµç³Ø

    б¦gg´´ÔìÆæ¼£¹É·Ý»ùÓÚ´¢ÄÜï®µç³ØÒªÇó³¤Ñ­»·ÊÙÃüµÄÌØµã£¬¿ÉÌṩ¸ß±£Òº¡¢³¤Ñ­»·ÊÙÃüµÄ´¢ÄÜµç³Ø¸ôĤ£¬º­À¨µçÁ¦ÏµÍ³´¢ÄÜ¡¢Í¨Ñ¶»ùÕ¾´¢ÄܺͼÒÍ¥´¢ÄܵȲî±ðÁìÓò¡£

  • б¦GG¡ª´´ÔìÆæ¼£Æ½Ì¨ b2img03-799.png
  • б¦GG¡ª´´ÔìÆæ¼£Æ½Ì¨ B2yingyongxiaofeidianzi.png
  • б¦GG¡ª´´ÔìÆæ¼£Æ½Ì¨ B2yingyongchuneng.png

²úÆ·

    • б¦GG¡ª´´ÔìÆæ¼£Æ½Ì¨ b2img06.jpg
      б¦GG¡ª´´ÔìÆæ¼£Æ½Ì¨
    ʪ·¨Ë«ÏòÀ­Éì¸ôĤ

    ½ÓÄÉË«ÏòÀ­É칤ÒÕ£¬MDÏò£¨×ÝÏò£©¡¢TDÏò£¨ºáÏò£©Ç¿¶È½Ï¸ßÇÒÊýÖµ½ÏΪ¿¿½ü£¬¿ÉÒÔ½µµÍ﮽ðÊôÖ¦¾§´©´ÌÔì³ÉµÄµç³ØÄÚ¶Ì·Σº¦£¬ÀûÓÚÌáÉýµç³ØÁ¼ÂÊ£¬²¢ÔÚµç³ØÇå¾²ÐÔ²âÊÔÖиü¾ßÓÅÊÆ¡£

    • б¦GG¡ª´´ÔìÆæ¼£Æ½Ì¨ ganfagemo.jpg
      б¦GG¡ª´´ÔìÆæ¼£Æ½Ì¨
    ¸É·¨¸ôĤ

    ½ÓÄÉ´µËÜ·¨Éú²ú¹¤ÒÕ£¬Ïà±ÈÁ÷ÑÓ·¨£¬´µËÜ·¨ÔÚ²úÆ·µÄÇ¿¶È¡¢¿×¾¶ÂþÑÜ¡¢Éú²úЧÂÊ¡¢ÊÕÂÊ¡¢ÊÕ¾íÖÊÁ¿¡¢ÊÕ¾í³¤¶ÈµÈ·½Ãæ¸ü¾ßÓÅÊÆ¡£

    • б¦GG¡ª´´ÔìÆæ¼£Æ½Ì¨ taocitufugemo.jpg
      б¦GG¡ª´´ÔìÆæ¼£Æ½Ì¨
    ÌÕ´ÉÍ¿¸²¸ôĤ

    ÔÚÔ­À´µÄ»ùĤÉÏ£¨°üÀ¨¸É·¨¡¢Êª·¨»ùĤ£©£¬½«¸ß´¿¶ÈÄÉÃ×Ñõ»¯ÂÁ»ò²ªÄ¸Ê¯µÈÌÕ´ÉÖÊÁÏÍ¿¸²ÓÚ»ùĤÉÏÃæ£¬Í¿¸²Ò»²ã»òÕßÁ½Ãæ¸÷Ò»²ãµÄÌÕ´ÉÃæ¡£

    • б¦GG¡ª´´ÔìÆæ¼£Æ½Ì¨ PVDFhunhetufugemoshuixing.jpg
      б¦GG¡ª´´ÔìÆæ¼£Æ½Ì¨
    • б¦GG¡ª´´ÔìÆæ¼£Æ½Ì¨ PVDFhunhetufugemoyouxing.jpg
      б¦GG¡ª´´ÔìÆæ¼£Æ½Ì¨
    »ìÏýÍ¿¸²¸ôĤ

    »ìÏýÍ¿¸²¸ôĤ£¬¼´PVDF»ò·¼ÂÚÓëÄÉÃ×ÌÕ´É»ìÏýÖÆ³É½¬ÁÏ£¬²¢ÔȳƵØÍ¿¸²Ôڸɷ¨»òʪ·¨µÄ»ùĤÉÏ¡£»ìÏýÍ¿¸²¸ôĤ¼æ¾ß¸ßÄÍÈÈÐÔµÄͬʱ¿ÉʵÏÖ¸ôĤÓëÕý¸º¼«Æ¬Ö®¼äµÄÕ³½Ó£¬ÇÒ¾ßÓеͱ¾Ç®¡¢¸ßЧÂʵÄÓŵã¡£

    • б¦GG¡ª´´ÔìÆæ¼£Æ½Ì¨ fangluntufugemo.jpg
      б¦GG¡ª´´ÔìÆæ¼£Æ½Ì¨
    ·¼ÂÚÍ¿¸²¸ôĤ

    ·¼ÂÚÊÇÒ»ÖÖÄÍÈÈÓÅÁ¼µÄ¸ß·Ö×ÓÖÊÁÏ£¬·¼ÂÚÍ¿²¼¿ÉÒÔ´ó·ù¶ÈÌáÉý¸ôĤµÄÆÆÄ¤Î¶È£¬¸ÄÉÆµç³ØµÄÈÈÇå¾²ÐÔÄÜ¡£

    • б¦GG¡ª´´ÔìÆæ¼£Æ½Ì¨ PVDFtufugemoshuixing.jpg
      б¦GG¡ª´´ÔìÆæ¼£Æ½Ì¨
    • б¦GG¡ª´´ÔìÆæ¼£Æ½Ì¨ PVDFtufugemoyouxing.jpg
      б¦GG¡ª´´ÔìÆæ¼£Æ½Ì¨
    PVDF Í¿¸²¸ôĤ

    ½«PVDFÊèÉ¢£¨Ë®ÐÔ£©»òÏûÈÚ£¨ÓÍÐÔ£©ºóÔȳƵØÍ¿¸²µ½»ùĤÉÏ¡£ÔÚ¸ôĤÓ뼫ƬÈȸ´ÊÊʱ£¬PVDFÍ¿¸²¸ôĤµÄÓÐÓýӴ¥Ãæ»ý´ó£¬Õ³½ÓЧ¹ûºÜºÃ£¨Í¿²ãÕ³½áÁ¦¡Ý30N/m£©£¬´ó´ó½µµÍµçо²úÆ·µÄÈë¿Ç²»Á¼ÂÊ¡£

b3img061.jpg

ÐÐҵְλ

È«ÇòÁìÏÈ
б¦gg´´ÔìÆæ¼£¹É·ÝÔÚÈ«Çò²úÄܽṹ¡¢²úÆ·Æ·ÖÊ¡¢±¾Ç®Ð§ÒæÒÔ¼°ÊÖÒÕÑз¢µÈ·½Ãæ¾ß±¸ÏÔÖø¾ºÕùÁ¦¡£

¿Í»§

  • Ô¼
    10,000
    Ô±¹¤
  • ½ü40
    ¼Ò
    ¿Ø¹É¹«Ë¾
  • 10
    +
    Ñо¿Ëù
b2img15.jpg
ÓÐÒ»¸öÎÊÌ⣿
ÍøÕ¾µØÍ¼